首页
产品
转台
角度头
DDR直驱转台
维修中心
下载
DDR直驱转台
关于
联系
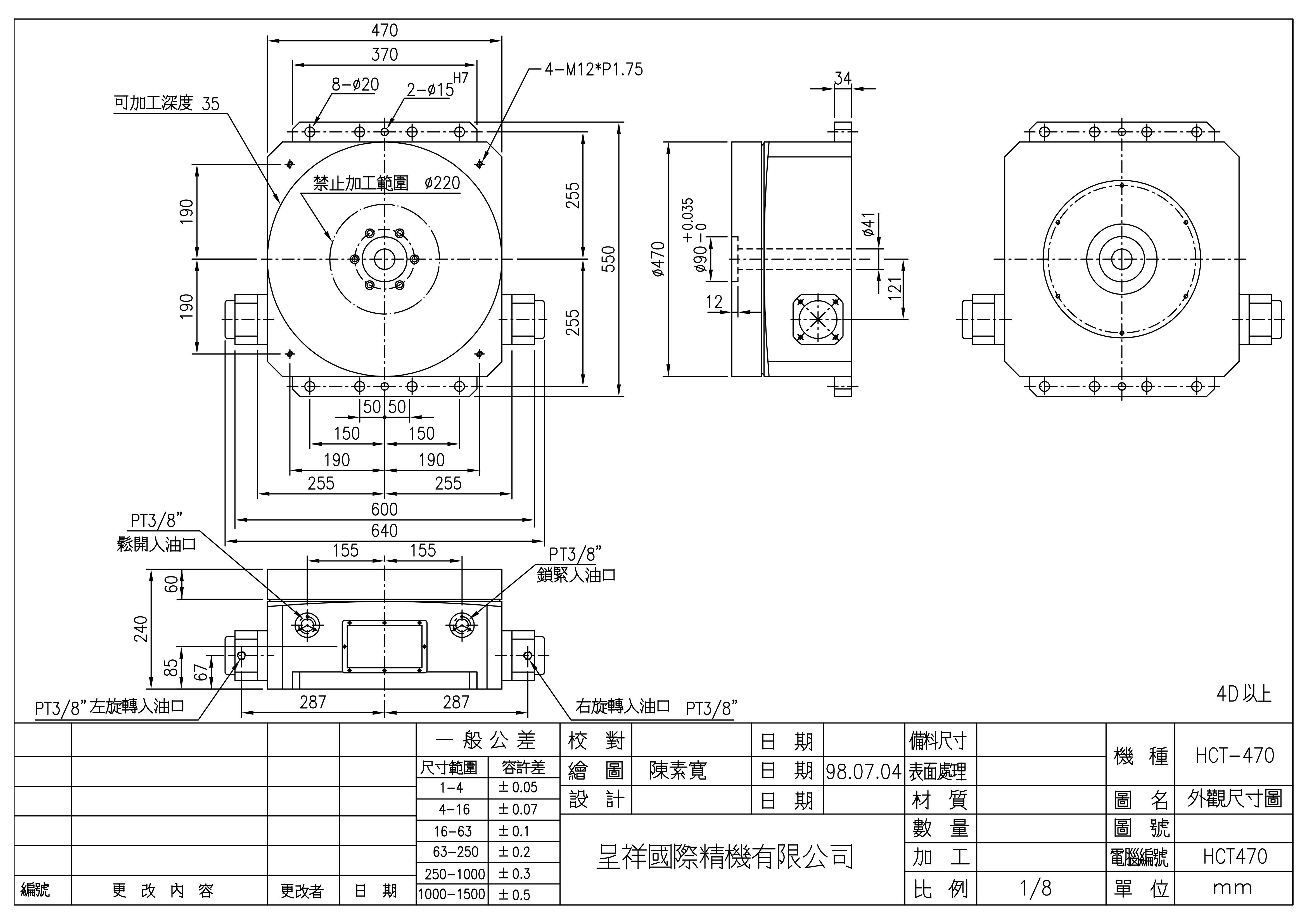
HCT-470-H
2021-11-16
附件:台湾呈祥转台样本